Fast Speed Dissolving System for Beverage and Dairy Production

Customization: Available
After-sales Service: Yes
Warranty: One Year After Commissioning

Product Description

ℹ️

Basic Specifications

Model NO.
STB-VTM
Process
Thermal Processing
Power Source
Electric
Certification
CE, ISO9001
Automatic Grade
Manual
Application
Milk, Yogurt, Milk Powder, Cheese
Customized
Customized
Raw Material
Liquid / Solid/ Powder/ Additive
Capacity
5000L/H--40000L/H
Trademark
STB
Origin
China
HS Code
8438200000
⚙️

Product Description

🚀

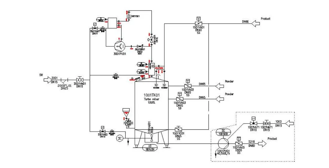
The STB Turbo Mixer is an innovative mixer that overturns conventional principle and leads the technology to a new era for mixers. Liquid/liquid, liquid/powder, or liquid/solid can be mixed effectively in a few minutes or even seconds. In STB's processing system, the product can be mixing, dispersion, emulsification, homogenization in the one unit.

Different to the conventional mixers, powder is convey through the bottom part of mixer under vacuum, and the product can be de-aerated in fully automated process. This design reduces foaming during the mixing process, allowing discharge of de-aerated product. Raw material loading time is as short as 2 to 3 seconds, and the agitating and mixing time is as short as 2 to 3 minutes. Furthermore, STB Turbo Mixers can effectively mix even a very high solid content - in small or large batches.

Frequently Asked Questions

Q1: What materials can the STB Turbo Mixer handle?
The system is designed to effectively mix liquid with other liquids, powders, or solids, including materials for milk, yogurt, and cheese production.
Q2: How fast is the raw material loading process?
The raw material loading time is extremely efficient, taking as short as 2 to 3 seconds.
Q3: Does the mixer provide homogenization?
Yes, the STB system integrates mixing, dispersion, emulsification, and homogenization within a single unit.
Q4: How does the vacuum system benefit the mixing process?
By conveying powder through the bottom under vacuum, the system reduces foaming and allows for the discharge of de-aerated products.
Q5: Can it handle high solid content?
Yes, the STB Turbo Mixer is engineered to effectively mix even very high solid contents in both small and large batches.
Q6: What certifications does this equipment hold?
The equipment is fully certified with CE and ISO9001 standards.

Related Products